| Temperatura ambiantă | -55℃~ 105℃ |
| Toleranță | J:±5%;K:±10%;M:±20% |
| Dovada de tensiune | 1,5U R |
| Factorul de disipare | ≤0,01 (20℃, 1kHz) |
| Rezistenta de izolare | ≥7500MΩ,C R ≤0,33μF ≥2500s, C R ≤0,33μF(20℃,100V,1min) |
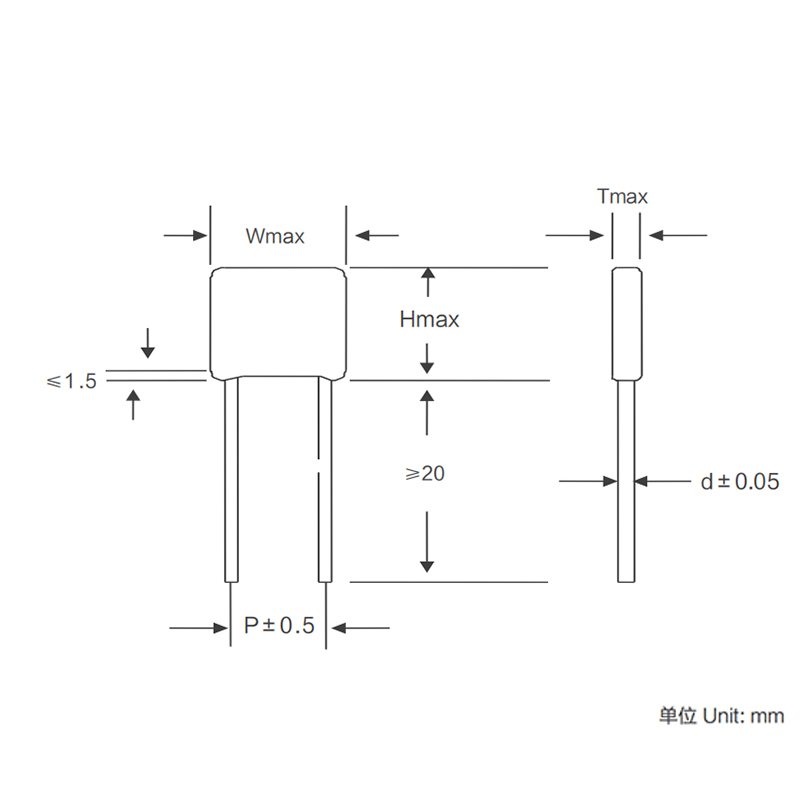
| CAPACACACAC | 250V | 400V | CAP | 250V | 400V | ||||||||||||
| W | H | T | P | W | H | T | P | W | H | T | P | W | H | T | P | ||
| 102 | 6.5 | 6.4 | 3.4 | 5 | 6.5 | 6.4 | 3.4 | 5 | 473 | 11.6 | 7.5 | 4.5 | 10 | 11.6 | 7.5 | 4.5 | 10 |
| 122 | 6.5 | 6.5 | 3.5 | 5 | 6.5 | 6.5 | 3.5 | 5 | 563 | 9 | 8.5 | 3.8 | 7.5 | 9 | 8.5 | 3.8 | 7.5 |
| 152 | 6.5 | 6.6 | 3.6 | 5 | 6.5 | 6.6 | 3.6 | 5 | 563 | 11.6 | 8 | 3.9 | 10 | 11.6 | 8 | 3.9 | 10 |
| 182 | 6.5 | 6.7 | 3.7 | 5 | 6.5 | 6.7 | 3.7 | 5 | 683 | 6.5 | 8 | 5 | 5 | 6.5 | 8 | 5 | 5 |
| 222 | 6.5 | 6.4 | 3.2 | 5 | 6.5 | 6.4 | 3.2 | 5 | 683 | 9 | 7.5 | 3.8 | 7.5 | 9 | 7.5 | 3.8 | 7.5 |
| 272 | 6.5 | 6.6 | 3.3 | 5 | 6.5 | 6.6 | 3.3 | 5 | 683 | 11.6 | 8.3 | 4.2 | 10 | 11.6 | 8.3 | 4.2 | 10 |
| 332 | 6.7 | 7 | 3.8 | 5 | 6.7 | 7 | 3.8 | 5 | 823 | 9 | 8 | 3.9 | 7.5 | 9 | 8 | 3.9 | 7.5 |
| 472 | 6.7 | 7.7 | 4.5 | 5 | 6.7 | 7.7 | 4.5 | 5 | 823 | 11.6 | 8.7 | 4.7 | 10 | 11.6 | 8.7 | 4.7 | 10 |
| 472 | 9 | 6 | 3 | 7.5 | 9 | 6 | 3 | 7.5 | 104 | 9 | 6.8 | 3.8 | 7.5 | 9 | 6.8 | 3.8 | 7.5 |
| 562 | 9 | 6.4 | 3.5 | 7.5 | 9 | 6.4 | 3.5 | 7.5 | 104 | 11.6 | 8 | 3.5 | 10 | 11.6 | 8 | 3.5 | 10 |
| 562 | 9 | 6.6 | 3.7 | 7.5 | 9 | 6.6 | 3.7 | 7.5 | 124 | 9 | 7.1 | 4.1 | 7.5 | 9 | 7.1 | 4.1 | 7.5 |
| 682 | 9 | 6.5 | 3.8 | 5 | 6.5 | 6.5 | 3.8 | 5 | 124 | 11.6 | 7.6 | 3.8 | 10 | 11.6 | 7.6 | 3.8 | 10 |
| 822 | 9 | 6 | 3 | 7.5 | 9 | 6 | 3 | 7.5 | 144 | 9 | 8.5 | 3.7 | 7.5 | ||||
| 103 | 6.5 | 7 | 4 | 5 | 6.5 | 7 | 4 | 5 | 154 | 9 | 8.5 | 3.7 | 7.5 | 9 | 8.6 | 4.4 | 7.5 |
| 103 | 9 | 7 | 4 | 7.5 | 9 | 7 | 4 | 7.5 | 154 | 11.6 | 7.9 | 4 | 10 | 11.6 | 7.9 | 4 | 10 |
| 123 | 6.5 | 7 | 4 | 5 | 6.5 | 7 | 4 | 5 | 224 | 9 | 9.2 | 4 | 7.5 | 9 | 10.8 | 5.2 | 7.5 |
| 123 | 9 | 7 | 4 | 7.5 | 9 | 7 | 4 | 7.5 | 224 | 11.6 | 7.2 | 4 | 10 | 11.6 | 9 | 5 | 10 |
| 153 | 6.5 | 6.5 | 4 | 5 | 6.5 | 6.5 | 4 | 5 | 274 | 9 | 9.5 | 4.7 | 7.5 | 9.5 | 10.5 | 6.6 | 7.5 |
| 153 | 9 | 6.8 | 4 | 7.5 | 9 | 6.8 | 4 | 7.5 | 274 | 11.6 | 8 | 4.2 | 10 | 11.6 | 10.1 | 5 | 10 |
| 223 | 6.5 | 7 | 3.7 | 5 | 6.5 | 7 | 3.7 | 5 | 334 | 9 | 10 | 5.2 | 7.5 | 9.5 | 11.5 | 7 | 7.5 |
| 223 | 9 | 6.7 | 3.5 | 7.5 | 9 | 6.7 | 3.5 | 7.5 | 334 | 11.6 | 8.5 | 4.7 | 10 | 11.6 | 10.7 | 6 | 10 |
| 273 | 6.5 | 7.3 | 4 | 5 | 6.5 | 7.3 | 4 | 5 | 394 | 11.6 | 9.4 | 4.7 | 10 | 11.6 | 11.2 | 6.5 | 10 |
| 333 | 6.5 | 6.5 | 3.5 | 5 | 6.5 | 6.5 | 3.5 | 5 | 474 | 11.6 | 11.4 | 4.8 | 10 | 11.6 | 11.8 | 6.3 | 10 |
| 333 | 6.5 | 6.5 | 3.6 | 7.5 | 9 | 6.5 | 3.6 | 7.5 | 564 | 11.8 | 11.6 | 5 | 10 | ||||
| 393 | 9 | 7.5 | 4 | 7.5 | 9 | 7.5 | 4 | 7.5 | 684 | 11.8 | 12 | 5.7 | 10 | 16.7 | 12 | 7.2 | 15 |
| CAP | 100V | 450V | CAP | 100V | 450V | ||||||||||||
| W | H | T | P | W | H | T | P | W | H | T | P | W | H | T | P | ||
| 102 | 6.5 | 6.4 | 3.4 | 5 | 273 | 6.5 | 7.3 | 4 | 5 | ||||||||
| 122 | 6.5 | 6.5 | 3.5 | 5 | 333 | 6.5 | 6.5 | 3.5 | 5 | 9 | 6.5 | 3.6 | 7.5 | ||||
| 152 | 6.5 | 6.6 | 3.6 | 5 | 393 | 9 | 7.5 | 4 | 7.5 | ||||||||
| 182 | 6.5 | 6.7 | 3.7 | 5 | 473 | 6.5 | 7.5 | 4 | 5 | 9 | 6.5 | 3.5 | 7.5 | ||||
| 222 | 6.5 | 6.4 | 3.2 | 5 | 563 | 9 | 8.5 | 3.8 | 7.5 | ||||||||
| 272 | 6.5 | 6.6 | 3.3 | 5 | 683 | 6.5 | 8 | 5 | 5 | 9 | 7.5 | 3.8 | |||||
| 332 | 6.7 | 7 | 3.8 | 5 | 683 | 9 | 9.2 | 4.4 | 7.5 | ||||||||
| 472 | 6.7 | 7.7 | 4.5 | 5 | 9 | 6 | 3 | 7.5 | 823 | 9 | 8 | 3.9 | 7.5 | 9 | 8 | 3.9 | 7.5 |
| 562 | 6.7 | 8 | 4.8 | 5 | 9 | 6.2 | 3.2 | 7.5 | 104 | 9 | 6.8 | 3.8 | 7.5 | 9 | 9 | 4.3 | 7.5 |
| 682 | 9 | 6.4 | 3.5 | 7.5 | 124 | 9 | 7.1 | 4.1 | 7.5 | 9 | 9.2 | 4.6 | 7.5 | ||||
| 822 | 9 | 6.6 | 3.7 | 7.5 | 154 | 9 | 8.5 | 3.7 | 7.5 | 9 | 9.5 | 5 | 7.5 | ||||
| 103 | 6.5 | 6.5 | 3.8 | 5 | 9 | 6 | 3 | 7.5 | 224 | 9 | 9.2 | 4 | 7.5 | 9 | 11 | 5.6 | 7.5 |
| 123 | 6.5 | 7 | 4 | 5 | 9 | 7 | 4 | 7.5 | 274 | 9 | 9.5 | 4.7 | 7.5 | 9 | 11.8 | 7 | 7.5 |
| 153 | 6.5 | 6.5 | 4 | 5 | 9 | 6.8 | 4 | 7.5 | 334 | 9 | 10 | 5.2 | 7.5 | 11.8 | 12.8 | 6.6 | 10 |
| 223 | 6.5 | 7 | 3.7 | 5 | 9 | 6.7 | 3.5 | 7.5 | 374 | 11.8 | 13.5 | 7.5 | 10 | ||||
Vă vom răspunde în termen de 12 ore din ziua lucrătoare.
Avem o fabrică proprie, avem și propriul nostru departament de vânzări internaționale. Producem și vindem singuri.
Ne concentrăm pe condensatoare cu film.
Produsele noastre sunt utilizate într-o gamă largă de aplicații, inclusiv aparate de uz casnic, surse de alimentare, contoare de energie electrică, iluminat, aparate de sudură, tranzit feroviar, vehicule electrice, rețele electrice, UPS/EPS, echipamente medicale, invertoare fotovoltaice, convertoare de energie eoliană și mai mult.
Da, suntem experți în realizarea de produse personalizate în funcție de desenele sau mostrele clienților.
Walson Electronica a fost înființată în 2001, cu mai mult de 20 de ani de experiență în R&D, fabricarea, vânzarea și service-ul condensatoarelor de film. Personalizat Condensator cu film de poliester metalizat seria CL21X (subminiatural) Producători și Condensator cu film de poliester metalizat seria CL21X (subminiatural) Fabrica
Aderăm întotdeauna la cooperarea automatizării avansate și a industrializării. compania continuă să introducă echipamente de producție remarcabile interne și externe, în timp ce software-ul de management al producției auto-dezvoltat, managementul colaborativ al întreprinderii pentru funcționarea științifică și eficientă, a atins 1 miliard/descoperire anuală a capacității de producție, și menține o creștere ordonată.
Walson Produsele electronice au acoperit mai multe industrii, inclusiv noua industrie energetică și energetică, Invertoare fotovoltaice, Iluminat cu LED - uri, aparate de uz casnic și diverse surse de energie și alte industrii.
Aderarea la conceptul de tehnologie inovatoare, servicii oneste și calitate profesională, Walson Electronica împinge produsele condensatoare în mod continuu și va deveni cu siguranță pionierul industriei cu avantaje inovatoare.
Caracteristici: Proprietate electrică mai bună... Vezi Mai Mult
Caracteristici: Proprietate electrică mai bună... Vezi Mai Mult
Caracteristici: Proprietate electrică mai bună... Vezi Mai Mult
Caracteristici: Construcție metalizată cu două... Vezi Mai Mult
Caracteristici: Electrod metalizat cu două feț... Vezi Mai Mult
Caracteristici: Folie din poliester metalizat,... Vezi Mai Mult
Caracteristici: Film/folie, tip rană neinducti... Vezi Mai Mult
Caracteristici: Carcasa cilindrului din tub ep... Vezi Mai Mult
Introducere: Înțelegerea condensatorilor de film DC-Link în invertoarele solare ...
CITESTE MAI MULTCondensator de film Sunt utilizate pe scară largă în aplicații de mare put...
CITESTE MAI MULTIntroducere În peisajul în continuă evoluție al componentelor electronic...
CITESTE MAI MULTIntroducere Sistemele de conversie a puterii, în special în aplicații pr...
CITESTE MAI MULTÎn mijlocul valului global de tranziție energetică, industria fotovoltaică a impus ceri...
CITESTE MAI MULT
Copyright & copy; Wuxi Walson Electronics Co., Ltd.  Personalizat Condensator cu film de poliester metalizat seria CL21X (subminiatural) Producători

